개요
•
S&H (2019.01 ~ 2021.08)
•
건설사의 P&ID 도면에서 각종 Symbol, Equipment, Pipe 등을 인식하고, 그 연결 관계를 추출하는 Windows용 프로그램
•
프로그래밍 팀장으로써 아래의 업무 담당
◦
P&ID 인식 알고리즘 개발
◦
시스템 아키텍쳐 구성
◦
서버 프로그램 개발
◦
클라이언트 프로그램 개발
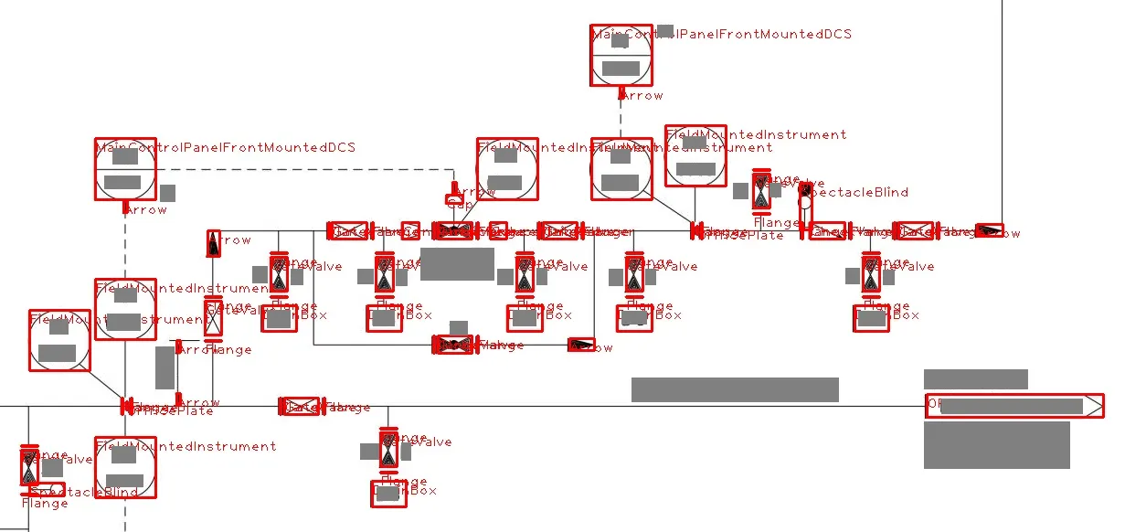
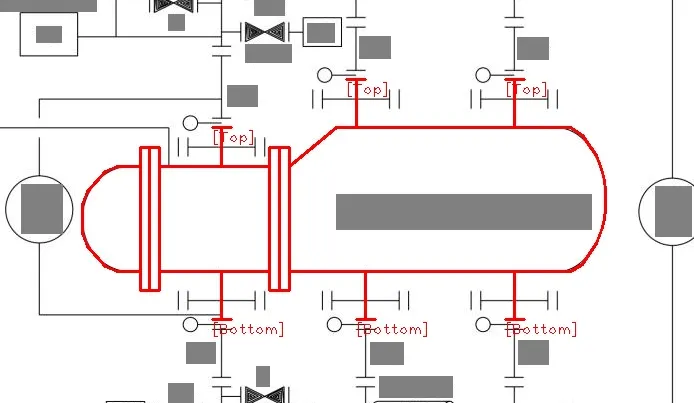
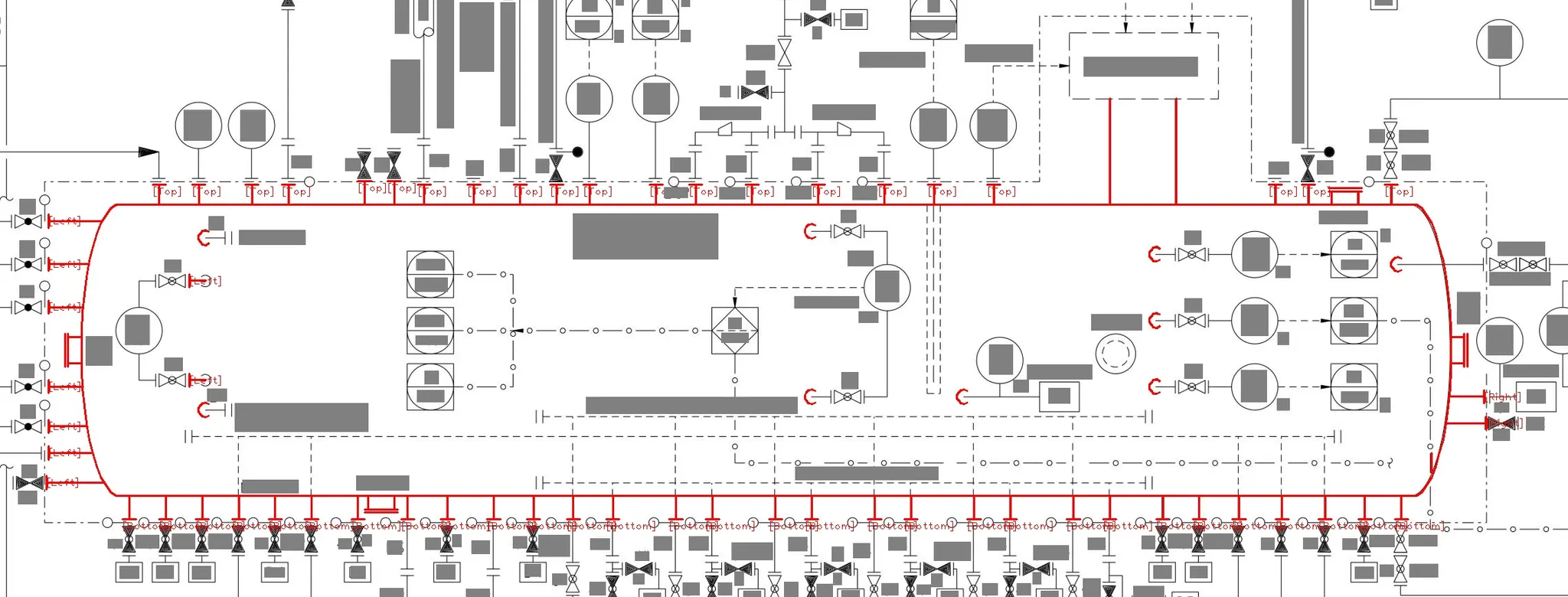
결과물
(실제 건설사의 P&ID이기 때문에 모양을 제외한 나머지는 데이터는 box 처리)
Symbol 인식
Equipment 인식
Pipe 및 From-To 인식
(녹색 라인이 현재 Pipe, 파란색이 Pipe의 From, 빨간색이 Pipe의 To)













